Understanding the Power Management of Samsung SM-A315 (Galaxy A31)
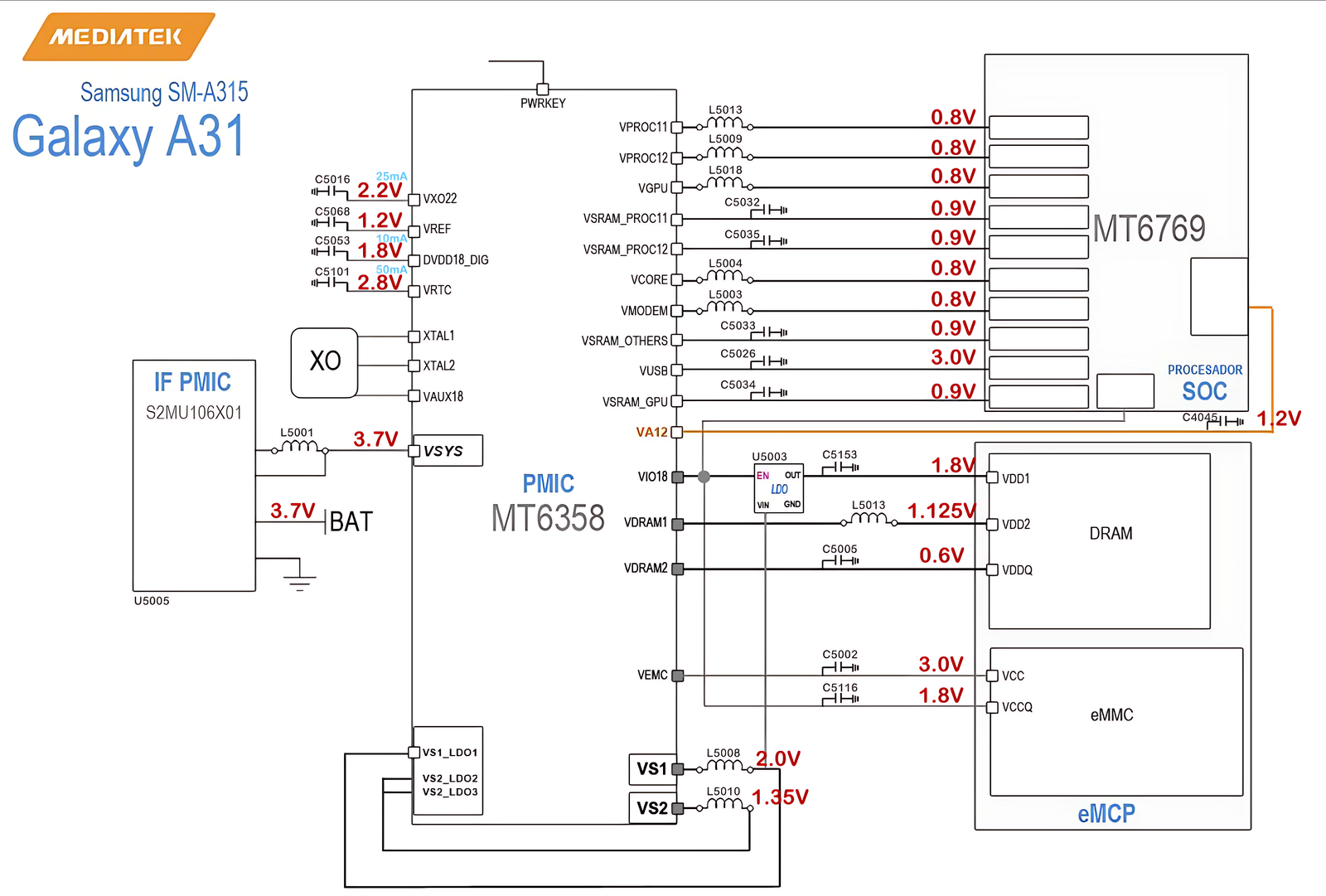
The Samsung Galaxy A31, known by its model number SM-A315, uses the MT6358 Power Management IC (PMIC) to manage the various voltages required for different parts of the smartphone. The following post will explain how the voltage flows through the device, where it is used, and the different components involved in the system.
Power Management System Overview
The MT6358 PMIC is a critical component for the power distribution in the Samsung Galaxy A31. It ensures that the right voltage is supplied to various modules like the processor (SOC), memory (DRAM, eMMC), and other essential parts. The chip also manages battery power and controls the overall efficiency of the device.
Voltage Flow and Distribution
In this section, we will look into how different voltages are routed from the PMIC and where they go.
1. 3.7V (Battery Voltage)
The 3.7V is supplied from the battery (BAT) and is connected to the system voltage rail (VSYS). This voltage is essential for the overall functioning of the device. It powers basic operations like the display, sensors, and other low-power components.
2. 1.2V (VREF)
This voltage is used for the reference voltage (VREF) which is crucial for various analog and digital components of the device. It helps in calibrating the power circuits and ensuring stable operations.
3. 2.0V (VS1)
The 2.0V is supplied to various components like the system’s internal modules. It plays a key role in providing power to some of the lower-voltage circuits within the smartphone.
4. 1.35V (VS2)
The 1.35V is used by various other components that require lower voltage, possibly dedicated to specific digital or analog components. It’s essential for efficient power delivery to sensitive circuits.
5. 0.8V (Various Power Rails)
Multiple power rails of 0.8V are distributed to several components such as the processor core (VCORE), modem, GPU, and other core functionalities. These low-voltage rails help in reducing power consumption while maintaining operational efficiency.
6. 0.6V (DRAM Voltage)
The DRAM (Dynamic Random Access Memory) is powered by 0.6V. This low voltage is used for efficient data handling and storing memory in mobile devices. It is critical for smooth multitasking and app performance.
7. 1.8V (VEMC - External Memory)
This voltage is supplied to the eMMC (embedded MultiMediaCard) storage. The eMMC is the internal storage of the device, and the 1.8V helps in reading and writing data efficiently.
8. 1.125V (DRAM1 Voltage)
The 1.125V is another voltage used for specific DRAM modules. It ensures that the memory modules can operate at an optimal level of performance while maintaining energy efficiency.
9. 3.0V (VUSB - USB Power)
The 3.0V is used by USB components for data transfer and charging. It is critical for ensuring that the device can interface with external peripherals while also providing power to charge the battery.
10. 12V (Main Power for SOC)
The 12V is primarily used for the main system-on-chip (SOC). This high voltage is necessary to power the processor and other key computing components. It enables the high-speed performance that modern smartphones are known for.
Power Regulation Components
The power regulation in the MT6358 PMIC is crucial to ensure that all voltages are supplied reliably and efficiently. Various inductors, capacitors, and transistors are used to filter, stabilize, and regulate these voltages. Components such as L5001, L5013, C5003, and others play a significant role in smoothing out the current and ensuring that no voltage spikes or drops occur, which could potentially damage the smartphone’s internal circuits.
How MT6358 Power Management IC Works
The MT6358 Power Management IC (PMIC) is responsible for converting the raw power from the battery and efficiently distributing it across the various voltage rails. The PMIC uses different voltage regulators and controllers to ensure that each component receives the exact voltage it requires for stable operation.
Each voltage rail is dedicated to specific tasks. For example, the SOC (system-on-chip) and memory modules require different voltage levels to function properly. The PMIC intelligently controls these power rails, ensuring that energy consumption is minimized without compromising performance. This results in better battery life and enhanced device stability.
Summary
In summary, the MT6358 Power Management IC in the Samsung Galaxy A31 manages the distribution of power across various components, including the battery, processor, memory, and other modules. By regulating different voltage levels and efficiently managing power, the device achieves optimized performance, reduced power consumption, and enhanced battery life.
