GoTool GoTool GoTool GoTool GoTool
🔴 Latest Updates
[15 Apr 2026 02:18 PM]BADER MTK Tool V5 GoTool
[15 Apr 2026 02:02 PM]AFTool-Setup-v1.5.3.3 GoTool
[15 Apr 2026 01:42 PM]Miracle Thunder 2.82 free BY GoTool.IN
[15 Apr 2026 09:05 AM]3uTools iPHONE V9.05.001 for Windows
[15 Apr 2026 08:52 AM]Android Utility Tool v192 Dead Boot Repair Motorol...
[15 Apr 2026 02:18 PM]BADER MTK Tool V5 GoTool
[15 Apr 2026 02:02 PM]AFTool-Setup-v1.5.3.3 GoTool
[15 Apr 2026 01:42 PM]Miracle Thunder 2.82 free BY GoTool.IN
[15 Apr 2026 09:05 AM]3uTools iPHONE V9.05.001 for Windows
[15 Apr 2026 08:52 AM]Android Utility Tool v192 Dead Boot Repair Motorol...

✨ FREE PRODUCT
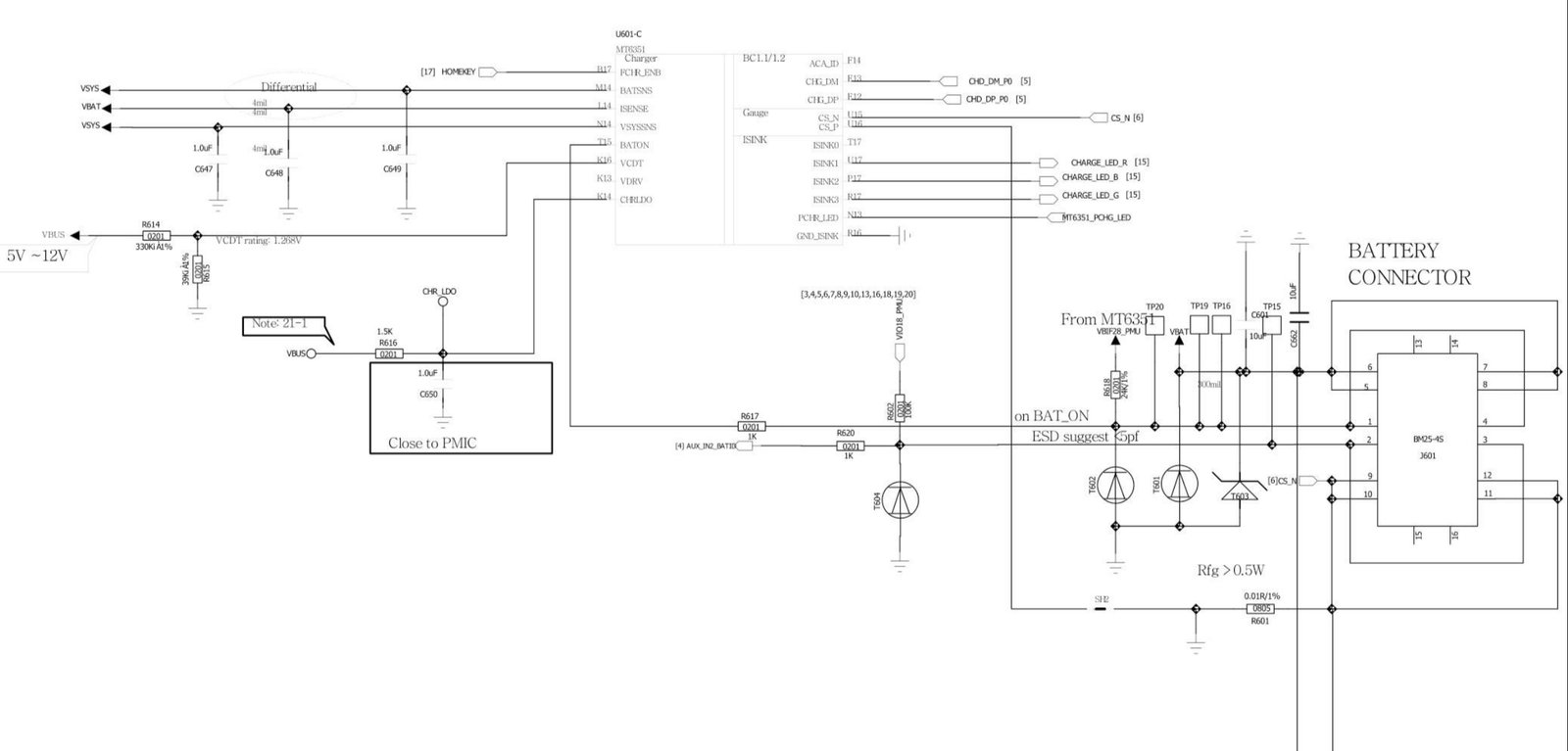
Xiaomi Mi CC9 Pro Schematic

Xiaomi Mi CC9 Pro Schematic

📁 Xiaomi / Redmi

Available Downloads

Xiaomi_Mi_CC9_Pro_Schematic.pdf
Ready to download
FREE
⚡ Free Download • Instant Access
📄
File Type
ZIP
💾
File Size
2.00 MB
💻
Platform
Android
🚀
Delivery
Instant Download
🔑
Password:-
123
0.0/5
0 global ratings
Rate this product:

📝 Description

Xiaomi_Mi_CC9_Pro_Schematic.pdf

📸 Demo Images

Reviews & Comments (0)

Please follow community guidelines: No abusive language, links, phone numbers, or emails.

No comments yet. Be the first to share your experience!

Write a review

×

Share This Product


Need Help? 👋

Our team is here to assist you

For quick WhatsApp support